A válvula borboleta de flange de vedação rígida D343W adota um anel de vedação elástico preciso em forma de J e três estruturas de vedação rígida de metal multicamadas excêntricas, sendo amplamente utilizada em temperatura média ≤ 325 ℃ do ouro, energia elétrica, indústria petroquímica, bem como abastecimento de água e drenagem e construção municipal e outras tubulações industriais, para regular a taxa de fluxo e interromper o uso de fluidos.
Recursos do produto
- Essa válvula adota uma estrutura de vedação de três excêntricos, a sede da válvula e a placa borboleta quase não sofrem desgaste, e quanto mais vista, mais apertada é a função de vedação.
- O anel de vedação é feito de aço inoxidável, que tem a dupla vantagem da vedação rígida de metal e da vedação elástica, e tem excelente desempenho de vedação, independentemente de baixas e altas temperaturas, resistência à corrosão, longa vida útil e outras características.
- A superfície de vedação da placa do disco é feita de carboneto cimentado à base de cobalto, e a superfície de vedação é resistente ao desgaste e tem uma longa vida útil.
- A placa borboleta de tamanho grande adota uma estrutura de estrutura acolchoada com alta resistência, grande área de transbordamento e pequena resistência ao fluxo.
Parâmetro do produto
Modelo do produto | D343W-16P |
Material do corpo da válvula | Aço inoxidável 304 |
Pressão nominal | ≤1,6Mpa |
Mídia aplicável | Água, vapor, óleo, etc. |
Temperatura aplicável | ≤325℃ |
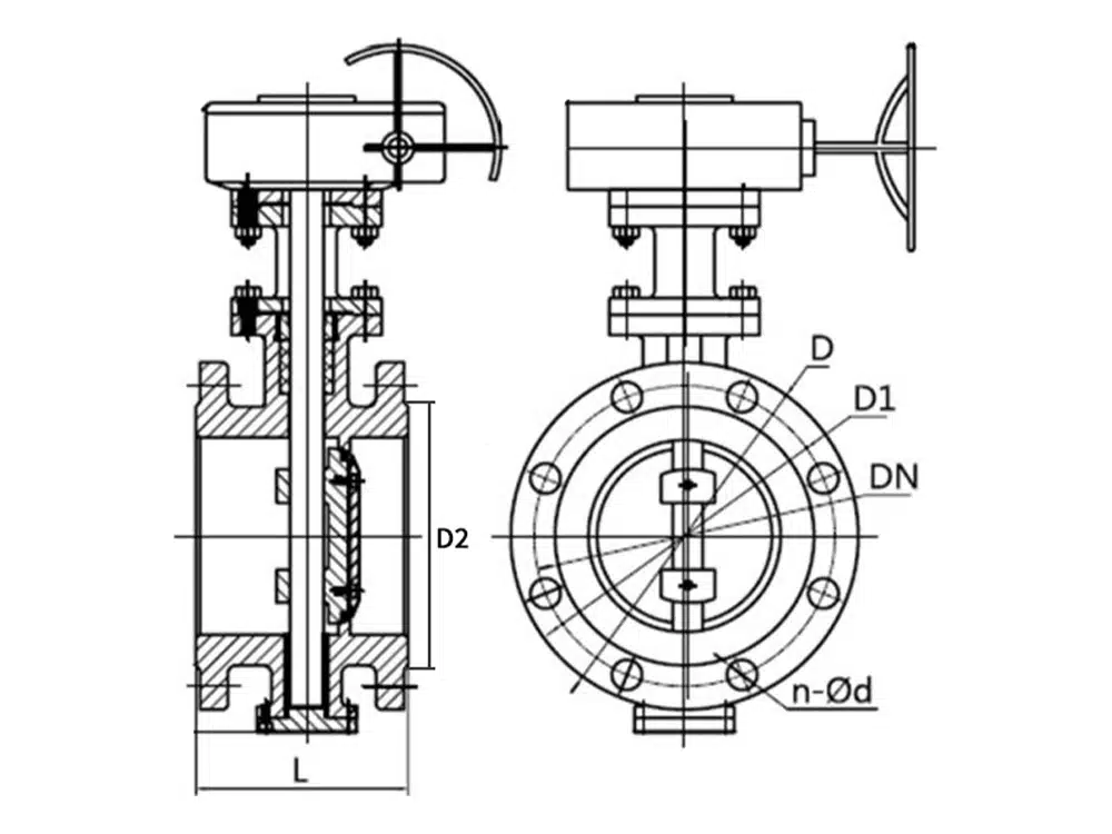
Referência do tamanho do produto

DN | L | D | D1 | D2 | n-d |
50 | 108 | 165 | 125 | 99 | 4-18 |
65 | 112 | 185 | 145 | 118 | 4-18 |
80 | 114 | 200 | 160 | 132 | 8-18 |
100 | 127 | 220 | 180 | 156 | 8-18 |
125 | 140 | 250 | 210 | 184 | 8-18 |
150 | 140 | 285 | 240 | 211 | 8-22 |
200 | 152 | 340 | 295 | 266 | 12-22 |
250 | 165 | 405 | 355 | 319 | 12-26 |
300 | 178 | 460 | 410 | 370 | 12-26 |
350 | 190 | 520 | 470 | 429 | 16-26 |
400 | 216 | 580 | 525 | 480 | 16-30 |
450 | 222 | 640 | 585 | 548 | 20-30 |
500 | 229 | 715 | 650 | 609 | 20-33 |
600 | 267 | 840 | 770 | 720 | 20-36 |

















