HYQ型高性能减压阀是不需要任何外加能源,利用被调介质自身能源而实现自动调节的产品。该产品最大特点,能在无电、无气的场所工作,同时又节约了能源,压力设定值在运行中可随意调整。采用快开流量特征,动作灵敏、密封性能好,因而广泛应用于石油、化工、电力、冶金、食品、轻纺、机械制造与建筑等特别是工业设备中用于气体、液体及蒸汽介质减压、稳压(用于阀后调节),或泄压、稳压(用于阀前调节)的自动控制。开启,继而全量排放;当压力降到规定值时,阀门自动关闭,保证设备和管路的安全运行。
产品参数
产品型号 | HYQ-16C |
阀体材质 | 铸钢 |
公称压力 | ≤1.6Mpa |
适用介质 | 水、蒸汽、油品等 |
适用温度 | ≤300℃ |
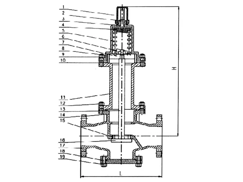
产品尺寸参考

通径 | L |
DN20 | 160 |
DN25 | 180 |
DN32 | 200 |
DN40 | 220 |
DN50 | 250 |
DN65 | 260 |
DN80 | 310 |
DN100 | 350 |
DN125 | 400 |
DN150 | 450 |
DN200 | 500 |

















