D71X-16Q手柄对夹蝶阀可适用于食品、医药、化工等净管路及工业环保、水处理、高层建筑、给排水管路作启闭或调节介质流量之用。手柄对夹蝶阀的蝶板安装于管道的直径方向。在蝶阀阀体圆柱形通道内,圆盘形蝶板绕着轴线旋转,旋转角度为0°~90°之间,旋转到90°时,阀门则呈全开状态。
产品特点
- 小型轻便,容易拆装及维修,并可有任意位置安装。
- 结构简单,紧凑,90°回转启闭迅速。
- 操作扭矩小,省力轻巧。
- 流量特性趋于直线,调节性能好。
- 启闭试验次数多达数万次,寿命长。
- 达到完全密封,气体试验泄漏为零。
产品参数
产品型号 | D71X-16Q |
阀体材质 | 球墨铸铁 |
阀板材质 | 球墨铸铁/304不锈钢 |
衬胶材质 | EPDM |
公称压力 | ≤1.6Mpa |
适用介质 | 水、气、油品等 |
适用温度 | ≤80℃ |
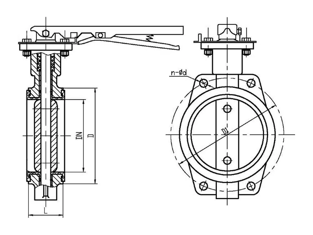
产品尺寸参考

通径 | L | D | D1 | n-Фd |
DN40 | 42 | 86 | 110 | 4-23 |
DN50 | 42 | 86 | 125 | 4-23 |
DN65 | 44.7 | 86 | 145 | 4-26.5 |
DN80 | 45.2 | 86 | 160 | 8-18 |
DN100 | 52.1 | 100 | 180 | 4-24.5 |
DN125 | 54.4 | 100 | 210 | 4-23 |
DN150 | 55.8 | 100 | 240 | 4-25 |
DN200 | 60.6 | 152 | 295 | 4-25 |
DN250 | 65.6 | 152 | 355 | 4-29 |
DN300 | 76.9 | 152 | 410 | 4-29 |

















